山東萬象環境科技有限公司
聯系人:劉經理
聯系電話:13276362033
QQ:1294284350
公司地址:山東省濰坊高新區新城街道玉清社區光電路155號濰坊高新區光電產業加速器(一期)1號樓301

聯系人:劉經理
聯系電話:13276362033
QQ:1294284350
公司地址:山東省濰坊高新區新城街道玉清社區光電路155號濰坊高新區光電產業加速器(一期)1號樓301

產品型號:WX-WQX2
產品價格:電議
產品品牌:萬象環境
15666889815
在線咨詢一、超聲波風速風向儀產品簡介
超聲波風速風向儀又稱超聲波風速儀,超聲波風速風向傳感器,超聲波風速風向儀一種利用超聲波技術來測量風速和風向的氣象儀器,廣泛應用于農業生產、航空航天、環保等領域。
山東萬象環境科技有限公司作為專業研發生產銷售微型氣象儀的企業,一直致力于微型氣象儀和氣象環境解決方案推廣應用。具有完整的生產鏈、實力雄厚的技術團隊和全面的營銷團隊,我們研發生產的超聲波風速風向儀、五要素微氣象儀、六要素微氣象儀和小型自動氣象站等氣象產品,已廣泛應用到氣象監測、城市環境監測、風力發電、航海船舶、航空機場、橋梁隧道等領域,客戶遍布全國各地,并取得了良好的社會效益和經濟效益。
與傳統的微型氣象儀相比,我司產品克服了對高精度計時器的需求,避免了因傳感器啟動延時、解調電路延時、溫度變化而造成的測量不準問題。
WX-WQX2型超聲波風速風向儀(具備省級CMA證書)創新性地將風速、風向通過一個高集成度結構來實現,可實現戶外氣象參數24小時連續在線監測,通過數字量通訊接口將二項參數一次性輸出給用戶。
可廣泛應用于城市環境監測、風力發電、氣象監測、橋梁隧道、航海船舶、航空機場等領域,無需現場維護何校準。
二、產品特點
1、頂蓋隱藏式超聲波探頭,避免雨雪堆積的干擾,避免自然風遮擋
2、原理為發射連續變頻超聲波信號,通過測量相對相位來檢測風速風向
3、風速、風向二要素一體式
4、采用先進的傳感技術,實時測量,無啟動風速☆
5、抗干擾能力強,具有看門狗電路,自動復位功能,保證系統穩定運行
6、高集成度,無移動部件,零磨損
7、免維護,無需現場校準
8、采用ASA工程塑料室外應用常年不變色,耐腐蝕性強
9、產品設計輸出信號標配為RS485通訊接口(MODBUS協議);可選配232、USB、以太網接口,支持數據實時讀取☆
10、可選配無線傳輸模塊,最小傳輸間隔1分鐘
11、探頭為卡扣式設計,解決了運輸、安裝過程松動不準的問題☆
12、一體式設計磨損小、使用壽命長、響應速度快。
三、技術參數
1)風速:0~70m/s(±0.1m/s)
2)風向:0~360°(±1°)
四、產品尺寸圖

五、產品結構圖

1、控制電路
2、指北箭頭
3、超聲波探頭
4、百葉箱
5、底座
6、法蘭轉換頭
六、產品接線定義

VCC:棕色,GND:黑色,485A:綠色,485B:藍色
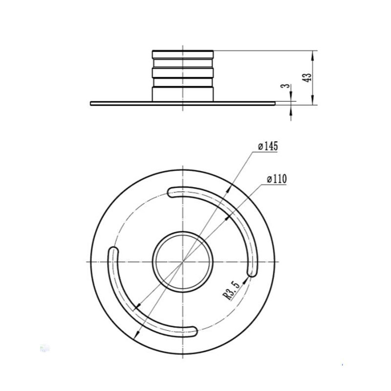
七、法蘭盤固定方式

1、微氣象儀
2、固定螺釘
3、通信電纜+航插
法蘭盤尺寸

區域土壤水分觀測系統:從表層到深層的立體墑情監測
2025-11-05小型車載自動氣象站如何捕捉沿途天氣?
2025-11-05路面結冰傳感器,從霜凍到預警:結冰監測技術的安全革命
2025-11-04十要素超聲波氣象站,十項全能:這個小站如何精準捕捉天氣密碼?
2025-11-04九要素一體化氣象傳感器——環境監測的全能選手
2025-11-03數字浪高儀:海浪有多高?讓這個智能設備告訴你答案!
2025-11-03會思考的防洪哨兵:野外在線雷達雨量水位監測站
2025-10-31設施農業氣象觀測站如何幫助優化作物生長環境?
2025-10-31拍照式樣性誘測報儀精準測報靶標害蟲
2023-06-07中學氣象站——一款神機妙算的校園氣象站儀器#2022廠家推薦已更新
2022-11-28野外作戰氣象儀的用途
2023-05-23提供空氣負氧離子監測站廠家——一款擱得住的負氧離子環境監測系統2023發貨快
2023-04-27田間小氣候監測設備提醒注意春旱問題
2022-02-24化工廠氣象站——一款把安全做到極致的一體化防爆氣象站2023已更新
2023-02-07風力發電結冰傳感器:非接觸檢測如何看穿冰層?
2025-10-22新材料防爆氣象站:工業安全的“氣象之眼”
2025-08-20山東萬象環境科技有限公司主營手持氣象站,便攜式氣象站,農業氣象站,負氧離子監測站,氣象站監測設備等,支持客戶定制參數,歡迎選購!
Copyright @ 2019-2027山東萬象環境科技有限公司版權所有
魯公網安備37079402370805 ICP備案號:魯ICP備2022000322號-3 網站部分內容來自網絡,如有侵權請聯系管理員刪除