山東萬象環境科技有限公司
聯系人:劉經理
聯系電話:13276362033
QQ:1294284350
公司地址:山東省濰坊高新區新城街道玉清社區光電路155號濰坊高新區光電產業加速器(一期)1號樓301

聯系人:劉經理
聯系電話:13276362033
QQ:1294284350
公司地址:山東省濰坊高新區新城街道玉清社區光電路155號濰坊高新區光電產業加速器(一期)1號樓301

產品型號:WX-B4
產品價格:電議
產品品牌:萬象環境
15666889815
在線咨詢一、溫濕度大氣壓噪聲傳感器產品簡介
溫濕度大氣壓噪聲傳感器又稱溫濕度氣壓傳感器,溫濕度噪音傳感器,溫濕度大氣壓噪聲傳感器可以測量溫濕度、大氣壓力、噪聲、PM2.5、 PM10 六種參數,適用于室外氣體環境監測領域。
山東萬象環境科技有限公司作為專業研發生產氣象傳感器的企業,一直致力于氣象傳感器和氣象環境解決方案推廣應用。具有完整的生產鏈、實力雄厚的技術團隊和全面的營銷團隊,我們研發生產的傳感器已廣泛應用到智慧農業、氣象監測、城市環境監測、風力發電、航海船舶、航空機場、橋梁隧道等領域,客戶遍布全國各地,并取得了良好的社會效益和經濟效益。
二、產品特點
1、抗干擾能力強,具有看門狗電路,自動復位功能,保證系統穩定運行
2、高集成度,無移動部件,零磨損
3、免維護,無需現場校準
4、采用ASA工程塑料室外應用常年不變色
5、產品設計輸出信號標配為RS485通訊接口(MODBUS協議);可選配232、USB、以太網接口,支持數據實時讀取☆
6、可選配無線傳輸模塊,最小傳輸間隔1分鐘
三、技術參數
1、空氣溫度:-40-60℃(±0.3℃);(北京市氣象局校準證書)
2、空氣濕度:0-100%RH(±3%RH);(北京市氣象局校準證書)
3、大氣壓力:30-110Kpa(±0.25%);(北京市氣象局校準證書)
4、噪聲:30-120dB(±1.5dB)
5、功率:0.12W
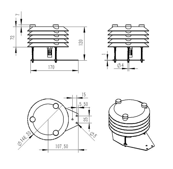
四、產品尺寸圖
五、產品結構圖
區域土壤水分觀測系統:從表層到深層的立體墑情監測
2025-11-05小型車載自動氣象站如何捕捉沿途天氣?
2025-11-05路面結冰傳感器,從霜凍到預警:結冰監測技術的安全革命
2025-11-04十要素超聲波氣象站,十項全能:這個小站如何精準捕捉天氣密碼?
2025-11-04九要素一體化氣象傳感器——環境監測的全能選手
2025-11-03數字浪高儀:海浪有多高?讓這個智能設備告訴你答案!
2025-11-03會思考的防洪哨兵:野外在線雷達雨量水位監測站
2025-10-31設施農業氣象觀測站如何幫助優化作物生長環境?
2025-10-31翻板式蟲情測報燈——實現高效的昆蟲監測
2023-07-06立桿水質監測站對于水庫水質管理有什么作用?
2025-01-20農業環境氣象觀測站——一款能長時間用的住的農業綜合氣象站2023已更新
2023-02-21水情監測系統——為水利事業注入新動力
2024-07-22磁致式量水堰計用來干什么
2024-07-09礦井水文監測系統:地下水深井水位測量等都不在話下
2025-02-12基層防災工程便攜式氣象儀:精準預警,提前布局
2024-09-02農業自動氣象站——一款精準高效的高標準農田監測站
2024-03-21山東萬象環境科技有限公司主營手持氣象站,便攜式氣象站,農業氣象站,負氧離子監測站,氣象站監測設備等,支持客戶定制參數,歡迎選購!
Copyright @ 2019-2027山東萬象環境科技有限公司版權所有
魯公網安備37079402370805 ICP備案號:魯ICP備2022000322號-3 網站部分內容來自網絡,如有侵權請聯系管理員刪除